Filtro externo Drainstar Turismos 16 l/s GRAF
SEGUIMIENTO Tlf. 952 00 81 14
Islas Baleares, Canarias, Ceuta y Melilla (Consultar)
Teléfono: 952 00 81 14
Filtro externo Drainstar Turismos 16 l/s GRAF
Filtro óptimo para instalaciones de infiltración y estanques.
Sin pérdida de altura entre la entrada y la salida
Filtro intercambiable con malla de 0,35 mm
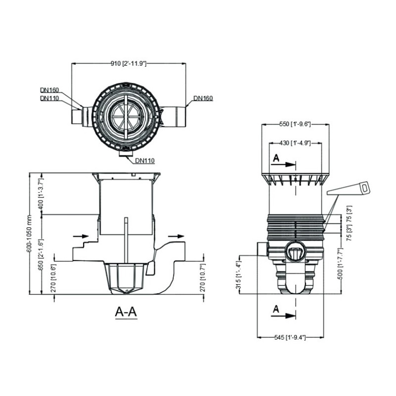
Profundidad de montaje seleccionable entre 600 – 1050 mm sin solución de continuidad gracias a la cubierta telescópica.
Estanqueizado hasta el canto superior del terreno
Óptimo para instalaciones de infiltración y estanques
Como máximo 350 m² de superficie de tejado en caso de conexión a DN 100 y 500 m² en caso de conexión a DN 150
Tomas de DN 100 y DN 150
Drainstar Filtro Externo transitable por vehiculos
Utilizando el suplemento telescópico (color antracita) y la cubierta de fundición clase B según UNE EN 124 se puede instalar el filtro debajo de superficies transitadas por turismos. No se debe instalar el filtro nunca debajo de superficies transitadas por camiones.
La cobertura con tierra encima del tubo de entrada es de como mínimo 450 mm, la profundidad máxima de instalación hasta el fondo de la arqueta es de 1050 mm
Superficie de cubierta conectable en caso de acometida a DN100 = 350 m 2, en caso de DN150 = 500 m 2.
Datos técnicos
Superficie máxima de recogida: 350 - 500 m2
Caudal máximo admitido: 16 l/s
Malla de filtración: 0,50 mm
Conexiones: DN 110 - DN 160
Incluye
Arqueta de PEAD con conexiones integradas
Cubierta telescópica transitable por turismos
Filtro de cesta
Juntas para el montaje del filtro
Mantenimineto
Extracción del filtro
Limpieza de los elementos del filtro
Limpieza de la reja filtrante
Revisión de las conexiones del filtro
Ref.: 340144
Compré depósito de agua, llegó incluso antes de lo esperado. Buen servicio, y servicio postventa de 10. Felicidades
El pedido cumplió con sus plazos, me aconsejaron muy bien.
Hace poco compré una destoconadora de gasolina HYUNDAI HYTC150-2 en Rexcosur y fue una muy buena experiencia. No solo me encontré el producto que necesitaba, sino que me asesoraron y explicaron con detalle para asegurarme de que estaba eligiendo la máquina más adecuada para mi trabajo. Salvador, la persona con que estuve contactactanto me explicó todo En general, la recomiendo, he vuelto a comprar, tengo varios pedidos en proceso y muy contento.
Son profesionales , serios y buenos precios ... Voy a repetir seguro ... Gran variedad de depósitos ... Confianza y buen servicio.
Very helpful , great knowledge and insight and will definitely use them again if needed. Fantastic company!!!!







